INICIO
Feeds
Facebook
Twitter
Youtube
ACERCA
CONTACTO
PROGRAMAS
Metal
LINUX OS
ELECTRÓNICA
PROGRAMAS LINUX
Entretenimiento
MOTOS
NOTICIAS
INFORMACIONES DIVERSAS
JUEGOS
ELECTRÓNICA CIRCUITOS
CIRCUITOS
AUDIO
AUTOMOTRIZ
ILUMINACIÓN
LABORATORIO
MICRO CONTROLADORES
COMPUTACIÓN
CARGADORES
ALARMAS
CREAR PCB
PROGRAMADORES
VIDEO
DISEÑO SIMULACIÓN
EQUIVALENCIA
DIAGRAMAS TVs Y AUDIO
AUDIO
Otra Sub pestaña
TVs CHINAS
TUTORIALES ELECT
PROYECTOS ELECTRÓNICA
TRUCOS ELECTRÓNICOS
FUENTES ALIMENTACIÓN
CONTROL REMOTO CODE
MODO SERVIVO TV CHINOS
FALLAS TVs CHINO
COMPONENTES
RESISTENCIAS
CAPACITORES
DIODOS
LED
FALLAS TV LCD
EDUCACIÓN SALUD Y ENERGIA
SALUD
CONSEJOS DE SALUD
CUIDADO FEMENINO
REMEDIOS CASEROS
COLESTEROL TRIGLICERIDO
PSORIASIS
MEDICINA NATURAL
ENERGÍA LIBRE
SOLAR
EÓLICA
MAGNÉTICA
HIDRÁULICA
ENERGIA VARIAS
ENERGIA ALTERNA
GEOTERMICA
MANUALES
MANUALES
BLOGGER
MENÚS
Sub
TRADUCTORES DICCIONARIO
INFORMACIONES DIVERSAS
06 junio, 2013
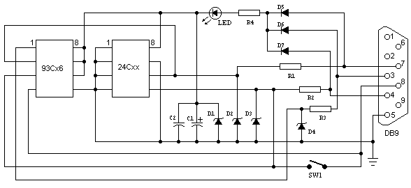
PROGRAMADOR EEPROM 24Cxx, 24LCxx y 93Cx6, NMC93x6
Componentes:
D1 1N751A Zener 5.1V
D2 1N751A Zener 5.1V
D3 1N751A Zener 5.1V
D4 1N751A Zener 5.1V
D5 1N4148
D6 1N4148
D7 1N4148
D8 Led
R1 4.7 kΩ
R2 4.7 kΩ
R3 4.7 kΩ
R4 270 Ω
C1 47 µF
C2 0.1 µF